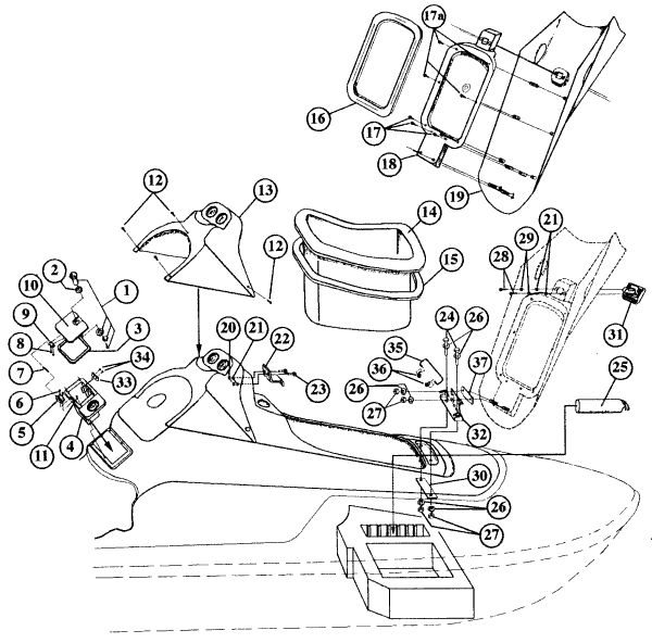
C6  Storage                                                         97   ZX, Kraze

c6.gif (30133 bytes)